OEM・ODM
小ロットで、高品質なこだわりのオリジナルのポロシャツのOEM・ODMを承ります。
- ゴルフ倶楽部で販売するオリジナルのポロシャツを展開したい。
- ポロシャツの新規ブランドを立ち上げたい。
- キチンと感のあるポロシャツの制服を作りたい。
弊社が立ち上げたこだわりのブランドであるレフログで培った経験と技術力を活かし、このようなご要望にお応えします。
OEM・ODMを請け負う他社様のような決まった生産フローはございません。お客様との会話を丁寧に重ね、ご希望のデザイン、配色、サイズ、ボタン、ネーム、下げ札、等の細部や資材ひとつに至るまで裁量が大きく、自由な発想でこだわりのオリジナルのポロシャツを企画頂けます。
素材は、弊社開発のオリジナル素材をお使い頂けます。
また、ご希望に応じて他の素材をご提供させて頂くことも可能です。
製品は、京都のポロシャツ専門工場で一枚ずつ丁寧に縫製する正真正銘のMade in JAPAN、ジャケットを羽織ってもキチンと見える仕立て映えのするポロシャツをご提供させて頂きます。
品質・納期
| 日本製 | 京都のポロシャツ専門工場で一枚ずつ丁寧に縫製させて頂きます。 |
|---|---|
| ロット | 1型50枚~生産して頂けます。より小ロットのご相談にも応じます。 |
| 素材 | 公定機関による物性試験をクリアした弊社開発の3種類のオリジナル吸水速乾素材をお使い頂けます。 |
| 仕立て | ジャケットを羽織ってもキチンと見える仕立て映えのするポロシャツをご提供します。 |
| 納期 | デザインや素材などの決定、サンプル作成に約10日間~3週間。 サンプルのご確認後、最短30日~納品が可能です。 |
オリジナルデザイン
細部や資材ひとつに至るまで裁量が大きく、自由な発想でこだわりのオリジナルポロシャツを企画頂けます。
- ポロ襟(編み襟)、シャツ襟、ボタンダウンの襟バリエーションを承ります。
- ユニセックスのポロシャツはもちろん、メンズ、レディースともにご対応が可能です。
- ボタンやブランドネーム、下げ札等、オリジナル資材のデザインや作成も可能です。
- 刺繍やプリント等オリジナルマークのデザインのご提案も対応可能です。
- デザイナー、パタンナーによるオリジナルのデザインやサイズにもご対応が可能です。
参考価格
| 製品1枚につき | 6,500円~ |
| サンプル1枚につき | 9,000円~ |
| ネームや下げ札等の デザイン提案 | 20,000円~ |
| ワンポイントマーク等の デザイン提案 | 25,000円~ |
| オリジナルパターン (サイズ展開分含む) | 30,000円~ |
- ※使用される素材や仕様等によって価格は変動します。
ご依頼から納品までの流れ
- お問い合わせ
- デザインや用途等、ご希望の企画内容のお打ち合わせ
- 概算価格のお打ち合わせ
- デザインやサイズスペックのご提案
- サンプルの作成
- サンプルのご確認
- ※サンプルのご確認後、デザイン変更や仕様変更に応じて再度サンプルを作成する場合がございます。
- ご発注
- 納品
弊社オリジナル素材について
吸水速乾性のあるポロシャツはスポーツ専用のものが多いですが、弊社が開発したオリジナル素材(詳しくはMATERIALを参照)による生地は、汗をかいたり・突然の雨で濡れた時でも肌離れが良く、着心地・機能性・お手入れのしやすさに優れていることに加えて、仕立て映えがするのでどんなシーンにも着て頂け、スポーツだけでなく幅広い用途で顧客様の付加価値を高めます。
吸水速乾性は、現代の快適な衣類選びにおいて、最重要の機能指標です。
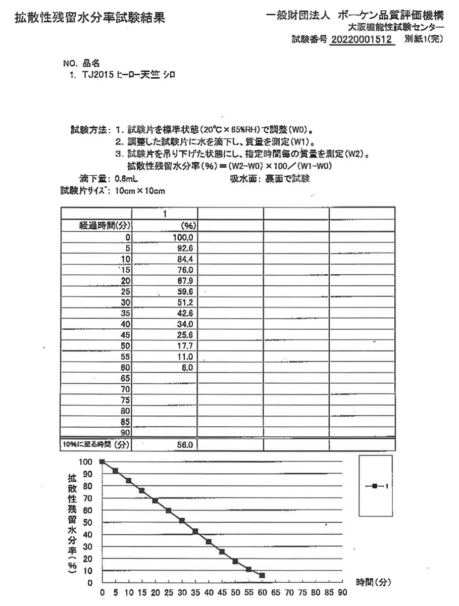
素材の吸水速乾性を評価するにあたって、JISで定められた試験方法はありませんが、拡散性残留水分率を調べる方法があります。
拡散性残留水分率試験は、10cm×10cmの生地片の質量を測定してから、水を0.6ml滴下し、標準状態(20℃・湿度65%rh)で吊り干しにし、指定時間毎の質量を測定して残留水分率が10%以下になるまでにかかった時間を計測します。
残留水分率が10%以下になるまでにかかった時間が短いほど吸水速乾性に優れていることを示し、60分以内であれば、拡散性が良好であり、十分な速乾性を体感し得る素材であることになります。
公定機関にて実施した弊社開発素材の試験結果は、56.0分であり、優れた吸水速乾性能をもつ素材であることが証明されています。